About YTO Diesel Engine
YTO Diesel engine Co.,Ltd, located in Jianxi District, Luoyang City, Henan Province, is a wholly-owned subsidiary of China YTO Group, established in 1958, specializing in the design and production of “Dongfanghong” brand multi-cylinder series diesel engines. The products cover 3, 4 and 6 cylinders, displacement 2L-13L and power 18-450kW, providing customers with comprehensive power solutions. With an annual production capacity of 200,000 units. The company is a state-recognized high-tech enterprise, passed ISO9001 quality system certification, and was awarded “the most influential brand in China’s agricultural machinery industry” and “the leader of the internal combustion engine industry” by China Agricultural Mechanization Association, China Agricultural Machinery Industry Association, China Agricultural Machinery Circulation Association, etc. The company has been awarded as “the most influential brand in China’s agricultural machinery industry” and “the leader of internal combustion engine industry” by China Agricultural Mechanization Association, China Agricultural Machinery Industry Association and China Agricultural Machinery Circulation Association.
Engine parts manual for LR4105 LR4108 LR4110
01 Cylinder Head Assembly


Cylinder head assembly 4RTF.010000
Cylinder head with valve assembly L4R0101HJ
1.Gasket, Cap R010024
2. Cap, front water outlet hole R010023
3. Spring washer 10 GB/T93-1987
4. Bolt M10×25 GB/T5782-2000
5.Bolt M10×20 GB/T5782-2000
6. Front hoisting ear 6RT8.010009-FE
7.Cap, side water outlet hole RT010021FE
8. Gasket, thermostat 6RTⅢ.530004FE
9. Cylinder head mechanical 4RB.010100
9.1 Assembly YTQ031.2-1992
9.2 Bowl plug 28 4RB.010101
9.3 Cylinder head R010107
9.4 Bowl plug 10 R010104
9.5 Valve guide YTQ020.2-1992
9.6 O-sealing ring 30×3.1 LR010109
9.7 Sleeve, fuel injector LR010111
9.8 Injector stud bolt YTQ021.1-1992
9.9 Screw plug Z1/2’ R010105
9.10 Bowl plug 42 R010106
9.11 Bowl plug 35 R010103
9.12 Seat ring, inlet valve R010102Y
10. Bolt, cylinder head RHZL.010007
11. Spacer, inlet valve spring R010015Y
12. Oil seal, valve R010019Y
13. Valve spring LR010003Y
14. Retainer, valve spring R010004Y
15. Valve cap R010006
16. Valve collet R010005
17. Valve rotocap assembly R010300Y
17.1 Upper seat,valve rotocap R010301Y
17.2 Thrust washer,valve rotocap spring R010302
17.3 Spring,valve rotocap R010304
17.4 Lower seat,valve rotocap R010303
18. Nut M8 GB/T6175-2000
19. Spherical washer 8 GB849-1988
20. Stud,clamp plate of injector R010018
21. Clamp plate,injector R010008
22. Hoisting ear R010009
23. Heater switch WN4003-F-100
24. Install plate,water valve of heater 1002/1202.81A.101
25. Gadket,water return adapter R010013
26. Exhaust valve R010002
27. R010001Y nlet valve
28. RW41100100.11 Gasket,Cylinder head
29. R010209 Screw plug NPT3/8
30. GB894.1-1986 Retaining ring 25
31. R010203 Spring,rocker shaft
32. R010204 end
33. R010201 Washer,rocker shaft
34. R010250 Rocker shaft
34.1 R010252A Rocker shaft assembly
34.2 R010251 Bush,rocker arm
35. R010206 Rocker arm
36. R010016 Seat,rocker shaft
37. GB/T6175-2000 Stud,rocker shaft seat
38. R010017 Nut M10
39. GB/T923-1988 Rubber sealing ring
40. R010205 Acorn nut M10
41. GB/T6175-2000 Seat,rocker
42. GB/T75-1985 shaft(feeding oil)
43. R010202 Nut M6
44. GB/T6176-2000 Nut M6×16
45. R010208 Spring,rocker shaft
46. GB/T848-1987 Nut M10×1
47. GB/T5782-2000 Adjusting screw
02 Cylinder Block Assembly

1 Cylinder block assembly 4RAT·02000
Cylinder block mechanical assembly 4RAT020100
Cylinder block mechanical assembly 4RAT3·020100
1.1 Camshaft front bearing R020106
1.2-1 Cylinder block 4RBAQ 020100-1FE
1.2-2 Cylinder block 4RBAT.020100-1FEZ
1.2-3 Cylinder block RW4110Q.020101
1.2-4 Cylinder block 4RAT.020100
1.2-5 Cylinder block 4RAQ.020100
1.3 Bowl plug φ50 R020108
1.4 Camshaft bearing R020107
1.5 Plug 60 Q/SB144-64
1.6 Cap,rear main bearing LR020111
1.7 Washer,main bearing bolt R020105
1.8 Bolt,main bearing R020104
1.9 Cap,locating main bearing LR020103
1.10 Main bearing cap LR020102
1.11 Screw plug Z 1/8″ YTQ 021.1-87
2. Dowel,cylinder block upper front face R020023
3. Gasket,push rod chamber cover 4R020009
4. Cover,front push rod chamber 4R020008A
5. Sealing washer R010017
6. Acorn Nut M10 GB/T 923-2000
7. Stud,push rod chamber cover R020011
8. Dowel.cylinder block top face R020021
9. Drain pipe assembly,crankcase ventilation LR020300
10-1. Cylinder liner RAZ1.020001
10-2. Cylinder liner RBA.020001
10-3. Cylinder liner RW110.020001
10-4. Cylinder liner RA.020001-1S
11. Sealing ring,cylinder liner RA020002/3
12. Hollow dowel,cylinder block rear face R020015
13. Nozzle,rear oil sealing R020004
14. Drain cock assy,radiator LR020400
14.1 Clamp 6RQ2.020034-1
14.2 Handle 13C-05031
14.3 Water Valve 1305C-010
14.4 Cotter pin 2×20 GB 91-76
15. Thrust shell(top/bottom),main bearing LR020043/44
17. Bottom shell,main bearing R020041/42
18. Dowel,cylinder block bottom face R020027
19. Screw plug Z 3/8″ LR010209
20. Casket,feeding water adaptor R020017
21. Cover plate 6RTⅢ020028
22. Feeding water adaptor,oil cooler 4RT12.020200FE-1
23. Spring washer 10 GB 93-76
24. Bolt M10×25 GB 21-76-Zn·D
25. Connector,oil pressure sensor 6RQ2020031
26. Piston Cooling Nozzle RW020200
27. Nozzle bolt RW020003
28. Gasket 6RAZL.020006
29. Spring washer BⅡ-049
03 Camshaft Assembly
Camshaft assy 4R030000Y
1.Push rod R030003
2. Tappet R030002
3. Camshaft 4R030001YA LR4EGR3.030001
4. Semi-circular key 6×22 GB 1099-79
5. Thrust,camshaft R030004
6. Bolt M8×20-ZnD GB /T5783-2000
04 Crankshaft and Flywheel Assembly

Crankshaft and flywheel assembly 4RTF.040000
1.Bolt M16×55×1.5 GB21-76-ZnD
2. Waved spring washer 16 GB/T955-87
3. Bolt M10×18 GB/T5783-2000-10.9
4. Spring washer 10 GB/T93-1987
5. Plate, Crankshaft jaw L040007
6. Plate,crankshaft pulley R040006
7. Crankshaft pulley 4RG1.040003-1
8. Hub ,crankshaft pulley R040004(Ⅰ)
9. Dust hood,pulley R040012
10. Semi-circular10×38 GB1099-72
11-2. Screw plug NPT1×8 LR020109
11-1. Crankshaft L4R040301A
12. Crankshaft 4RC.040001
13. Retaining ring 4RTF.040010
14. Bearing GB/T276-1994
15. Flywheel assy 4RTF.040100-1
16. Pin 14ga×30 GB/T119-76
17. Washer,flywheel R040005
18. Flywheel bolt LR040021
05 Piston and Conne Assembly
Piston and connecting rod assembly RA050000
1. Bolt,connecting rod RA050104
2. Shell,connecting rod RZ050005
3. Connecting rod mechanical RA050100
3.1 assembly RA050102
3.2 Cap,connecting rod LR050105
3.3 Dowel RA050101
3.4 Body,connecting rod R050103A
4. Bush,connecting rod GB 893-76
5. Retaining ring 36 RA050004
6-1. Piston pin RA050001F
6-2. Piston A5.050001
6-3. Piston B3.050001
6-4. Piston B5.050001
6-5. Piston LR110.050001A
7-1. Piston RA 050002/3/0200
7-2. Piston Wreath RAZL 050002/3/0200
7-3. Piston Wreath RB 050002-1/3-1/0200-1
7-4. Piston Wreath LR110 050002/3/0200
7-5.Piston Wreath 4B3L 050002/3/0200
06 Gear Train Assembly
Gear train assembly RT060000-1
1. Bolt M12×55-Zn.D GB22-76-8.8
2. Washer 12 GB93-76
3.Retaining ring,camshaft gear R060004
4. Air compressor gear R060021A
5. Retaining ring 25 GB/T894-1976
6. Thrust plate,hydraulic pump gear RT060026-1
7. Hydraulic pump gear assy RT061100
8. Camshaft gear R060003A
9. Driving splined sleeve,hydraulic pump RT060025A
10. Retaining ring 25 GB/T895-1976
11. Plug RT060027
12. Sealing ring RT060019-1
13. Driving gear shaft,hydraulic pump LRT060024-2A
14. Gasket,hydraulic pump RT060029
15. Cover plate RT060028
16. Washer 8 GB/T97-1976
17. Bolt M8×30-Zn.D GB22-76-ZnD
18. Bolt M10×30-Zn.D GB21-76
19. Thrust plate washer,hydraulic pump gear RT060032
20. Bolt M10×65-Zn.D GB22-76-88
21. Locking washer R060031-1
22. Thrust plate,idle gear R060011
23. Crankshaft gear LR060001
24. Idle gear assembly R060100
25. Driving gear,oil pump R060002A-3
26. Injection pump gear LR060005
27. Bolt M8×30-Zn.D GB22-76.8.8
28. Retaining plate,injection pump gear LR060007
29. Hub,injection pump gear LR060006
30. Screw,lubrication oil passage R060023-1
31. Washer 8 GB97-76
32. Shaft,idle gear R060009
33. Oil pipe assy,timing gear RT060200
34. Screw,lubrication oil passage R060012
35. Screw,lubrication oil passage RT060022
07 Sump Assembly (I)
Sump assembly 4RTF070000-3
Sump assembly 4RT7·070000
1. Gasket,sump 4RG1·070004
2. Sump 4RTF·070001-3FE 4RT7·070001-1A
3. Spring washer 10 GB 93-76
4. Bolt M10×45 GB 22-76·8·8·Zn·D
5. Bolt M10×40 GB 22-76·8·8·Zn·D
6. O-seal ring 35×3.1 YTQ 020.2-86
7. Oil drain plug assy 6RQJ·070100
8. Sleeve,dipstick 6RQ·070024
9. Dipstick assembly 4RTF·070200-1
07 Sump Assembly (Ⅱ)
Sump assembly 4RT16·070000
1. Gasket,sump 4RG1·070004
2. Sump 4RT16·070001
3. Spring washer 10 GB 93-76·Zn·D
4. Bolt M10×35 GB 21-76·8·8·Zn·D
5. O-seal ring 35×3.5 YTQ 020.2-86
6. Oil drain plug assy 6RQJ·070100
7. Sleeve,dipstick RTJ 070002
8. Dipstick assembly 6RG5 070200
9. Screw plug NPT 1/2″ Q/SB 143-64
07 Sump Assembly (Ⅲ)
Sump assembly 4RG12·070000
1. Gasket,sump 4RG1·070004
2. Sump 4RG12·070001
3. Spring washer 10 GB 93-76
4. Bolt M10×35 GB 21-76·8·8·Zn·D
5. O-seal ring 35×3.1 YTQ 020.2-86
6. Oil drain plug assy 6RQJ·070100
7. Sleeve,dipstick 4RG3·070300
8. Dipstick assembly 4RG3·070400
9. Screw plug NPT 1/2″ YTQ 021.1-86
08 Timing Gear Chamber Assembly
Timing gear chamber assembly 4RTF·080000
1.Washer 10 GB 848-76·Zn·D
2. Bolt M10×70 GB 22-76·Zn·D
3. Pin 8ga×16 GB 119-76
4. Gasket,inspection hole cover R080005
5. Inspection hole cover R080004
6. Bolt M10×35 GB 21-76·Zn·D
7. Washer 8 GB 848-76·Zn·D
8. Bolt M8×22 GB 21-76·Zn·D
9. Oil sealing 65×90×12 LR080150
10. Bolt M10×60 GB 22-76·Zn·D
11. Bolt M10×90 GB 22-76·Zn·D
12. Bolt M8×18 GB 21-76·Zn·D
13. Cover plate RT060028
14. Gasket,hydraulic pump LRT060029
15. Bolt M10×50 GB 22-76·Zn·D
16. Cover assembly,timing gear chamber 3RTF·080100A
16.1 . Screw plug 3RTF·080105
16.2 Washer 18 GB 95-76
16.3-1 Cover assembly,timing gear chamber 3RTF·080101
16.3-2 Cover assembly,timing gear chamber 4RG3.080101-2
16.4 Oil filler R080102-1
17. Gasket,timing gear chamber cover RT080003
18. Timing gear chamber RT080001-2
19. Sealing plate,air compressor R080011
20. Screen R080008
21. Cover,oil filler R080015
22. Gasket,timing gear chamber RT080002
23. Bolt M10×30 GB 21-76-Zn·D
09 Flywheel Housing Assembly (Ⅰ)
Flywheel housing assy 4RTF·090000-1 4RG14·090000
1. Intermidiate plate 4RTF·090009-1
2. O-seal ring LR090008
3. Oil seal 105×130×12 LR090100
4. Flywheel housing 4RTF·090001-2 4RG14·090001
5. Washer 10 GB 93-76
6. Bolt M10×30 GB 21-76
7. Cover plate,gear shaft hole 4RTF·090004
09 Flywheel Housing Assembly (Ⅱ)
Flywheel housing assembly 4RT3·090000-2
1. Oil seal 105×130×12 LR090100
2. O-ring LR090008
3. Bolt M14×50 GB 5782-86
4. Washer 14 GB 93-87
5. Flywheel housing 4RT3·090001-2A
6. Intermidiate plate 4RTF·090009-1
7. Observation port cover 4RG1-090003
8. Washer 6 GB 93-87
9. Bolt M6×12 GB 5781-86
10. Screw M4×10 GB 67-85
11. Pointer 4RG1·090004
12. Bolt M10×30 GB 5783-86
13. Washer 10 GB 93-87
14. Washer 16 GB 93-87
15. Bolt M16×90 GB 5782-86
11 Cylinder Head Hood Assembly
Cylinder head hood assembly L4R110000
1. Hood,cylinder head 4RT62.110100A-1
2. Sealing gasket,cylinder head hood L4R110001
3. Cover,oil filler 4RG1.110300
12 Crankcase Ventilation Assembly

Crankcase ventilation assembly 4RG1.120000-2
1. Oil-air separator and rear push rod chamber cover assembly 4RG1-120100FE
2. Gasket,push rod chamber cover 4R020009
3. Hoop JK-1A
4. Exhaust pipe,ventilation 6RG63.120301-1
5. Clamp 6RQ.120023-1
6. Clamp bush R120007
7. Hoop JK-0
8. Upper oil return pipe,crankcas e R120001-2
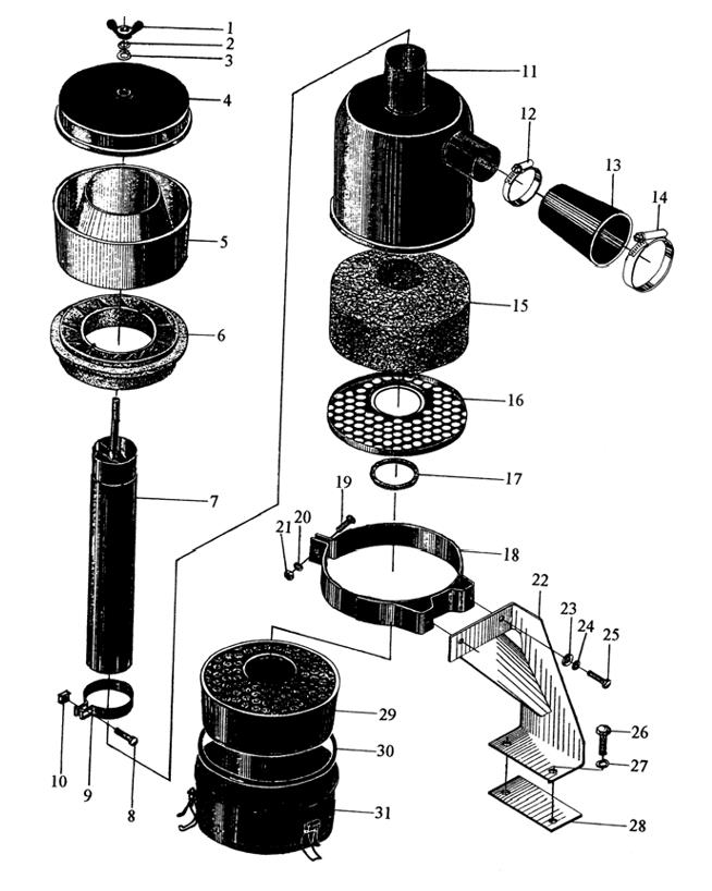
21 Air Cleaner Installation Assembly (Ⅰ)

Air cleaner installation assembly 4RTF210000
1. Air cleaner assembly KY 250A-0000
2. Bracket assembly,air cleaner 4RTF·210350
3. Bolt M8×25 GB 21-76-Zn·D
4. Washer 8 GB 93-76
5. Nut M8 GB 51-76-Zn·D
6. Hoop,rubber hose JK-3X
7. Outlet hose,air cleaner 4RTF·210001
8. Connecting hose 4RTF·210002
9. Connecting rubber hose,intake 4RTF·210003
Hoop,tubber hose JK-4X
21 Oil Bath Air Cleaner Installation Assembly (Ⅱ)
1. Nut M8 GB 62-76
2. Washer 8 GB 97-76
3. Paper gasker 2410-0033
4. Cover,preliminary filter 4115-0101
5. Dust collector 4115-0102
6. Fan 4115-0103
7. Air inlet pipe assembly 4115-0200
8. Bolt M8×30 GB 30-76
9. Clamp 4115-0001
10. Nut M8 GB 39-76
11. Body assembly F3/4L912A-0200
12. Clamp 64~76 JK-3X
13. Connecting hose 220006
14. Clamp 80~92 JK-4X
15. Fine filter F3/4L912-0101
16. Lower strainer,fine filter F3/4L912-0102
17. Seal ring F3/4L912-0002
18. Mounting bracket assembly F3/4L912A-0900
19. Bolt M6×30 GB 30-76
20. Spring washer 6 GB 93-76
21. Nut M6 GB 39-76
22. Bracket assembly,air cleaner 65L-1109030
23. Washer 8 GB 97-76
24. Spring washer 8 GB 93-76
25. Bolt M8×25 GB 21-76
26. Bolt M12×30 GB 21-76
27. Spring washer 12 GB 93-76
28. Gasket 65L-1109033
29. Prefilter assembly F3/4L912-0400
30. Sealing ring F3/4L912-0001
31. Oil pan assembly F3/4L912-0600
22 Air Cleaner Installation Assembly (Ⅲ)
Air cleaner installation assembly 4RG12·210000 4RG12·0001
1. Air cleaner assembly K2410A-0000 4RG12·0000
2. Hoop K2410A-0000
22 Intake Tube Assembly (Ⅰ)
Intake manifold assembly 4RTF220000-1
Intake manifold assembly 4RT7·220000
1. Bolt M10×25 GB5783-2000-ZnD
2. Spring washer 10 GB 93-76
3. Rear cover,intake manifold 4RTF·220100
Rear cover,intake manifold 4RT3.710510
4. Gasket,intake manifold 4RG1·220002
5. Intake manifold 4RG1·220001
6. End cover,intake manifold 4RT12·220004N
7. Connecting tube,intake manifold 4RTF·220005
8. Bolt M10×25 GB 21-76-Zn·D
9. Bolt M10×35 GB 21-76-Zn·D
10. Gasket,intake manifold R220003
11. Name plate LR070009A
12. Rivet 4×6 GB 827-76
13. Screw plug,air intake 4RG1-220005
14. Washer 16-062
15. Connecting tube,air intake 4RG12·220102
16. Connecting tube,air intake 4RG8·220007
17. Connecting tube,air intake 4RG1·2201000
22 Intake Tube Assembly (Ⅱ)
1. Bolt M10×25 GB 21-76
2. Washer 10 GB 93-76
3. Cover ,air intake manifold 4RT12·220004N
4. Gasket 4RG1·220002
5. Air intake manifold 4RG1·220001
Air intake manifold 4RG1·220011
6. Connecting tube,air intake 4RT3·220005-1
7. Bolt M10×25 GB 5781-86
8. Bolt M10×35 GB 5781-86
9. Air intake manifold gasket R220003
23 Exhaust Tube Assembly (Ⅰ)
Exhaust tube assembly 4RTF·230000-1
1. Bolt M10×30 GB/T5783-2000GB
2. Washer 10 GB/T848-1985
3. Connecting tube,exhaust tube 4RTF·230003
4. Washer,connecting tube,exhaust tube 4RTF·230002
5. Exhaust tube 4RTF·230001-1
6. Bolt M10×35 GB5787-86
7. Gasket exhaust manifold LR230002A
23 Exhaust Tube Assembly (Ⅱ)
Exhaust tube assembly
1. Exhaust tube 4RG14·230001
2. Bolt M10×35 GB/T5787-2000
3. Washer 10 GB 93-76
4. Gasket,exhaust manifold R230002A
23 Exhaust Tube Assembly(Ⅲ)
Exhaust tube assembly 4RT60.230000
1. Gasket,exhaust manifold R230002A
2. Spring washer 10 GB/T848-1985
3. Bolt M10×35-Zn.D GB/T5787-2000
4. Gasket, muffler elbow R230003A
5. Bolt M10×30-Zn.D GB/T5783-2000
6. Exhaust elbow 4RT3.230004
7. Exhaust tube 4R230001
31 Fuel Injection Pump with Governor Installation Assembly
(1) ZHB Injection Pump Assembly
1. Nut ZHBF6-10-016
2. Spring washer 14 GB93-87
3. Woodruff key ZHB-039
4. Body,fuel injection pump ZHBF4-000
5. Plunger pair ZHE9540Z-00-1
6. Washer ZHB-025
7. Delivery valve pair ZHF6-00
8. Washer,fuel outlet valve seat ZHB-024
9. Spring,fuel outlet valve BⅡ-207A
10. Volume reducer BⅡ-208
11. Sealing ring ZHB-017
12. Delivery valve holder ZHBF6-10-029
13. Washer BⅡ-044
14. Air-vent screw BⅡ-053-2
15. Washer 8120F·01·042
16. Screw plug ZHBF6-10-015
17. Washer BⅡ-044
18. Screw plug ZHB-038
19. Gasket,feed pump BⅡ-019A
20. Spring washer 6 GB93-87
21. Bolt M6×16 GB5783-86
31 (2) Feed pump Assembly
1. Feed pump assembly BⅡ-060-3A
2. Pipe joint bolt 16-110B
3. Washer 16-006
4. Feed pump valve 16-123D
5. Spring feed pump valve BⅡ-069
6. Washer 16-062
7. Outlet pipe joint seat BⅡ-065
8. Pipe joint bolt 16-110B
31 (3) TA Governor Assembly
1. Governor assembly TA-13-000
2. Screw plug ZHB-038
3. Washer BⅡ-044
4. Washer 16-159
5. Breather seat TA-00-019
6. Washer 42.19.155
7. Breather assembly TA-00-060
8. Bush,stop shaft TA-00-002
9. Torsion spring TA-00-005
10. Stop handle TA-00-004
11. Washer 6 GB93-87
12. Nut M6 GB6170-86
13. Washer BⅡ-044
14. Stop screw,control rod TA00-008A
15. Nut M6 GB6170-86
16. Washer 6 GB93-87
17. Screw TⅡ-075
32 Fuel Injector Assembly (PB84P30)
Fuel injector PB84P30
1. Inlet protection cap PB86J-00-008A
2. Nozzle holder body BK.PB84P-30-001
3. Shims PB84P-00-012
4. Leak-off bleed screw joint PB84P-00-011
5. Pressure-adjusting shim PB86J-00-029
6. Spring PB85PL-00-002A
7. Spring seat PB85PL-00-006
8. Adaptor plate PB85PL-00-010
9. Nozzle BK.DSLA150P920-30
9.1 Nozzle needle DSLA135P005-00-01
9.2 Nozzle body BK.DSLA150P920-30-02
10. Nozzle cap nut BK.PB84P-00A-004
11. Shims PS01-003A
12. Nozzle body protection cap PB85PL-00-009
33 Fuel Filter Installation Assembly
Fuel filter installation assembly 4R330000
Fuel filter assembly CX0708S-0000
1. Bolt,fuel pipe C0810A-0011
2. Filter seat CX0708S-0003
3. Spring washer 10 GB/T93-1987
4. Bolt M10×30 GB/T5783-2000
5. Air bleed screw plug C0708S-0005
6. Washer C0506B-0017
7. Washer C0810A-0009
8. Locking bolt,filter fuel inlet hole 54.18.427
9. Fuel filter CX0708S
34 Fuel Injection Pipes Assembly
Fuel injection pipes assembly L4R340000BFE
1. Fuel injection pipe assy,cylinder No.1 L4R340000BFE-1
2. Fuel injection pipe assy,cylinder No.2 L4R340000BFE-2
3. Fuel injection pipe assy,cylinder No.3 L4R340000BFE-3
4. Fuel injection pipe assy,cylinder No.4 L4R340000BFE-4
5. Clamp assy for 2 injection pipes R340700
6. Clamp assy for 3 injection pipes R340600
35 Fuel Low Pressure Pipes Installation Assembly(I)
1. Fuel return pipe assy,Injection PM pump 4PY.350500FE
2. Fuel feed pipe assembly,from filter to injection pump 4PY.350200FE
3. Fuel return pipe assy,injection pump 4RG12.350600BFE
4. Fuel feed pipe assembly,from feed pump to filter 4PY.350100FE
5. Clamp plate 4PY.350013FE
6. Clamp plate 4PY.350011FE
35 Fuel Low Pressure Pipes Installation Assembly(Ⅱ)
Fuel low pressure pipes assembly 4RT3.350000
1. Fuel return pipe assy,injection pump RT350500A
2. Fuel feed pipe assembly,from filter to injection pump 4RT73..350200FE
3. Fuel return pipe assy,injection pump 4RG12.350600B
4. Fuel feed pipe assembly,from feed
pump to filter 4RT73.350100FE
41 Oil Pump Installation Assembly
42 Oil Suction Strainer Assembly
1. Oil pump assembly 4RHZQ.410000
2. Flat key C5×12 GB1096-79
3. Spring washer 12 GB93-76
4. Nut M12 GB52-76
5. Spring washer 10 GB93-76
6. Bolt M10×30 GB21-76
7. O-rubber sealing ring R410001
8. Pressare relies valve LR412100-2
9. Oil saction strainer 4RG14.420100
Oil saction strainer 4RG1.420100FE
Oil saction strainer L4R420100FE
10. Spring washer 10 GB848-76
11. Spring washer 10 GB93-76
12. Bolt M10×20 GB21-76
13. Gasket oil suction pipe flange R420001
14. Spring washer 8 GB93-76
15. Bolt M8×25 GB21-76
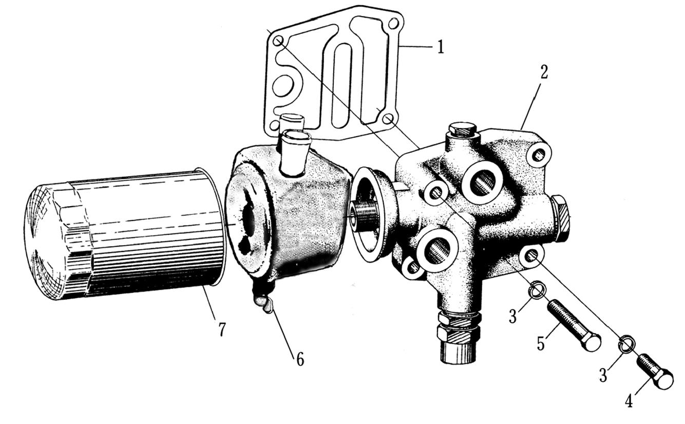
43 Oil Filter Assembly
Oil filter installation assembly 4RTF.4300AZ 3RTF.4300AZ
1. Bottom gasket R430001
2. Oil filter bottom 4RTF430100-1 3RTF.430100
3. Spring washer 10 GB93-76
4. Bolt M10×40 GB22-76
5. Bolt M10×80 GB22-76
4-5. Bolt M10×30 GB22-76
6. Oil cooler assembly 4RG22.450100-11
7. Oil filter JX1008L
46 Oil Radiator Installation and Oil Line Assembly
Oil radiator installation and oil line assembly 4RTF.460000
1. Locking bolt 54·08·406
2. Sealing ring 54·08·407
3. Inlet pipe,oil radiator 4RTF460300
4. Pin shaft 8×35 GB 882-76
5. Pin 3×16 GB 91-76
6. Spring washer 8 GB 95-76
7. Rubber gasket 6RTF460001
8. Washer 10 GB 95-76
9. Spring washer 10 GB 93-76
10. Bolt M10×25 GB 21-76
11. Oil radiator assembly 6RTF460100
12. Outlet pipe assembly,oil radiator 4RTF460200
13. Nut M5 GB 39-76
14. Upper clamp 4RTF460401
15. Bottom clamp 4RTF460402
16. Screw M5×14 GB 65-76
51 Water Pump Installation Assembly
52 Fan and Pulley Assembly
Water pump installation assembly 6RTF.510000AZ
Fan and pulley assembly 4RT3.520000
1. Bolt M8×20 GB/T5783-2000
2. Spring washer 8 GB/T93-1987
3. Fan assy Z-450-64-42-7 F-450-28-52-7
4. Belt AV13×1340 A1340
5. Belt pulley,water pump 4R.520002 4RG1.520003
6. Bolt M10×85 GB/T5782-2000
7. Spring washer 10 GB/T93-1987
8. Gasket water pump read cover 3R510007
9. Water pump assembly 4RTF.510200 4RT60.510000 L4R510000
10. Gasket water inlet pipe flange 6RTF.510002AZ
11. Bolt M10×30 GB/T5783-2000
12. Water inlet pipe 4RG1.510011
13. Heating return water adaptor 5147324
53 Thermostat Assembly
Thermostat assembly 4RTF.530000
1. Gasket, thermostat housing 4R.530004-1
2. Rubber hose 4R530003
3.Hoop JK-1
4. Spring washer 8 GB93-76
5. Bolt M8×25 GB21-76-ZnD
6-1. Housing assy, thermostat 4RTF.530101-1
Thermostat body 4RTF.530101
Bypass connector R510102
6-2. Housing assy, thermostat 4RT3.530101-1
Thermostat body 4RT3.530101
Bypass connector R510102
7. Thermostat 1039-76-X
8. Gasket, thermostat cap 4R530002
9. Cap, thermostat 4RTF.530001
Cap, thermostat 4RG12.530001
Cap, thermostat 4RG3.530001
Cap, thermostat 4RG8.530001
10. Spring washer 10 GB93-76
11. Bolt M10×35 GB21-76-ZnD
54. Radiator Installation Assembly
Radiator installation assembly 4RTF·540000AZ
1. Water drain hose 6RTF·540001
2. Radiator assembly 6RTF·540000
3. Wind protecter 4RTF·540004AZ
4. Sealing strip 6RTF·540005AZ
5. Fan protect cage 4RTF·540001AZ
6. Right pressing plate 6RTF·540007AZ
7. Hoop,rubber hose JK2X
8. Water inlet rubber hose,radiator 4RTF·540007AZ
9. Pull rod,radiator 4RTF·540009AZ
10. Nut M8 GB 52-76
11. Washer 8 GB 849-88
12. Washer 8 GB 850-88
13. Cotter pin3×16 GB 91-76
14. Washer 8 GB 95-76-Zn·D
15. Spring washer 8 GB 93-76
16. Bolt M8×12 GB 21-76-Zn·D
17. Water outlet pipe,radiator 4RTF·540006AZ
18. Rubber gasket 6RTF·540008AZ
19. Washer 10 GB 95-76-Zn·D
20. Spring washer 10 GB 93-76
21. Bolt M10×25 GB 21-76-Zn·D
22. Drain cock assembly 3/8″ Q/SB152-64
23. Pad 6RTF·540002AZ
24. Left pressing plate 6RTF·540003AZ
61 Starter Installation Assembly
Starter installation assembly 4RT3.610000
1. Starter QD141G-000WX
2. Bolt M12×35 GB/T21-1987
3. Spring washer 12 GB/T93-1987
62 Alternator and Bracket Assembly
Alternator and bracket assembly 6RTF.620000
1. Bolt M10×100 GB899-76-ZnD
2. Bolt M8×25 GB21-76.8.8-ZnD
3. Spring washer 8 GB/T848-1987
4. Alternator JFZ2722Y JFZ1512Y
5. Adjusting bracket,alternator 6RTF.620001B 4RT11.620001 4RG12.620001-1
6. Nut M8 GB52-76-ZnD
7. Nut M10 GB52-76-ZnD
8. Spring washer 10 GB848-76ZnD
















.jpg)






.jpg)
.jpg)










Leave A Comment